【導讀】圍繞如何處理小信號前端這一話題,近期引起了一波討論熱潮?!妒勒f芯語》專欄的特邀作者小狼在這里就小信號前端、確定測量范圍、抑制噪聲、提高信噪比等問題進行了介紹和分析。
運算放大器結構探秘
大學模擬電子課上,老師反復強調:理想運放的增益無窮大,分析運放,首先注意虛斷和虛短,我們都堅決貫徹老師的說教,然而忽略了其他一些比較重要的概念:比如共模抑制比、失調電壓、偏置電流等。
一、運放輸入模型
按照運放模型,比較全面的梳理出運放的基本模型:就是差模信號和共模信號的疊加。

二、虛短概念
上學時,老師一直強調,理想運放要注意虛斷和虛短。運放的同相端輸入和反相端輸入相等,這是怎么一回事呢?

理想運放開環(huán)增益無窮大,實際略小,大部分在100dB(100000)倍左右,按這個增益,要讓輸出變化3V,同相反相輸入端只需30uV的壓差即可,如果加上紋波、噪聲等干擾信號,同相反相端基本上無變化。
于是又引入反饋,做閉環(huán),同相反相端的電壓差忽略不計。如同撐杠桿,小臂微微一動,大臂不住晃動。

三、差模輸入和共模輸入
在應用中,運放可以輸入差模信號,也可以輸入共模信號,共模信號大部分來自噪聲,最核心的愿景是:共模被抵消,差模被放大。

舉個例子,有人在高鐵車廂內做過一個實驗,豎著擺放一排硬幣,不管車速多快,硬幣都立得很穩(wěn)。這好比共模信號,外面環(huán)境怎樣變化,信號不受影響。差模信號呢,就像人在車廂里來回走動,只要正常范圍內,都不受到外界的干擾。

四、輸入電壓范圍(Vin或Vcm)
運算放大器輸入范圍比較復雜,理論上來講,同相端和反相端模擬輸入在電源的正軌到負軌之間都能滿足,運放的上下管大致對稱,大部分時間,取運放的共模輸入電壓Vcm為1/2 Vdd。這樣,運放主要工作在線性區(qū)。

五、小信號檢測方法
運算放大器用來做電流小信號采集時,往往會面臨一個令人疑惑的問題,信號該如何采集?是采用高邊電流檢測還是采用低邊電流檢測?部分的意見采低邊,部分人的意見是采高邊,大家各抒己見,莫衷一是。

舞臺看戲,下層的演員多,而且間雜觀眾,很容易被遮擋,被觀眾淹沒;樓上的明顯好得多,容易被分辨,樓層越高,成本也更高,修樓費工時、造價不便宜!

差分放大器介紹
一個不太形象的比喻,你在崎嶇的山路上,提著滿滿的行李,追趕一輛高速運行的火車,你需要跑到車頭找到你的座位,你會覺得非常吃力,大概率你還追不上;如果你已經上車了,站在車上,你會感覺很穩(wěn)定,車尾車頭來回走,也會很輕松。

這跟共模干擾比較類似,由于傳感器信號主要是通過施加電壓差做為輸出,信號的差值電壓很小,而且,由于布局布線引起的EMI和共模干擾、溫度漂移、等等。把傳感器比喻做攜帶行李的旅客,把運放的同相端和反相端當做車廂,只要傳感器信號給定在這中間,相對的干擾就會小很多。由于傳感器的信號存在壓差,避免運放異常飽和,引入差分放大器。

基于成本考慮,行業(yè)之內,大部分設計還會采用普通運放,基于減法器的模型,搭建一個差動放大器。

差分放大器的原理就像照鏡子,物理學上的說法稱作鏡像,講究對稱和平衡,只有做到兩邊一模一樣,效果才會最佳,否則,就會失真。

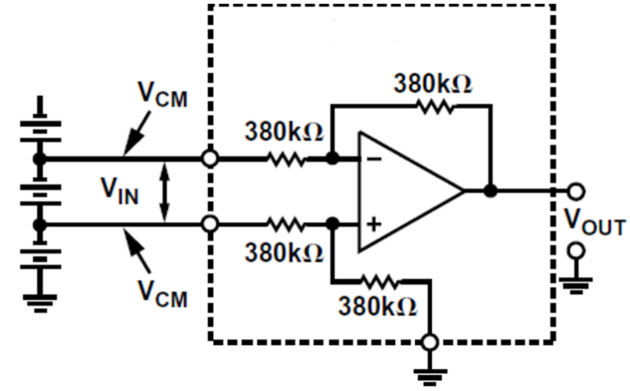
為了做到鏡像效果,需要在模擬前端做阻抗匹配,由于各點參考源不同,阻抗又有誤差,完全阻抗匹配非常困難,下圖是一個經典的差分運放,通過輸出靜默電壓Uoz,用KCL去求解同相輸入和反相輸入阻抗,結果差異很大。

有人會問,如何確定上面各電阻的值?正常來說,按照鏡像原理,偏置電流一樣,放大倍數相當,可以很容易求出4個電阻之間的關系,如何確定R1,會略微麻煩點,需要查運放的幾個限制條件,阻值需滿足:大于瞬時輸出電壓/最大輸出電流、小于輸入失調電壓/輸入偏置電流、還要注意熱噪聲影響,等等。
儀表放大器介紹
差分放大器能處理大部分模擬前端,但是,由于系統(tǒng)輸入阻抗有限,需要加入復雜的匹配電路,然而,外圍電阻精度和PCB線路阻抗,又會產生新的問題。
為了解決差分運放輸入阻抗較低等問題,各大廠家又做了很多優(yōu)化,有人采用如圖的雙運放方法來實現儀表放大。

雙運放有兩個弱點:不支持單位增益、不同頻率的共模抑制比較差。于是眾多廠商引入另一種方案,采用三運放方法,不少大廠推出的儀表放大器,都是基于三運放原理來實現的。

Microchip運放解決方案
儀表放大器 MCP6N16-100
針對工業(yè)客戶應用,Microchip提出自己獨特的解決方案,與眾多廠商推出三運放儀表放大器方案不同,Microchip推出間接電流反饋型儀表放大器,間接電流反饋型儀表放大器內部結構如下圖所示。

間接電流反饋型儀表放大器是怎么工作的呢?前級做跨導放大,實現V-I轉換,后級做跨阻放大I-V轉換,用下面這張圖來描述,也許會更準確一些。

間接電流反饋型儀表放大器和三運放儀表放大器存在一些差別,主要優(yōu)勢:
● 在寬Vcm范圍內具有高CMRR(軌到軌)
● 工作區(qū)域廣(Vin和Vout)
● 適合低電壓應用
● 無“Hex”圖
● 高阻態(tài)Vref輸入
● 更好的增益溫度系數匹配
應用案例——惠斯通橋

零漂移放大器 MCP6V61
另外,Microchip的零漂移放大器產品,主要針對較低成本應用,主要特點:
高直流精度
- VOS 漂移: ±15 nV/°C
- AOL: 125 dB
- PSRR: 117 dB
- CMRR: 120 dB
- (EMIRR) at 1.8 GHz: 101 dB
- 低功耗
- 靜態(tài)電流80uA
應用案例——RTD傳感器

Wolfe表示,Microchip還推出了多款有特色的運放產品,比如低噪聲、高精度、全差分系列的MCP6D11、高邊電流檢測系列MCP6C04等。結合Excelpoint世健的技術支持等服務,可以幫助客戶提供一站式選型平臺,減少工作難度,盡快讓產品上市。


來源:世健
免責聲明:本文為轉載文章,轉載此文目的在于傳遞更多信息,版權歸原作者所有。本文所用視頻、圖片、文字如涉及作品版權問題,請聯系小編進行處理。
推薦閱讀:




